Evaluación de Microestructuras

Réplicas Metalográficas

ferro

Gran parte de las anomalías que se presentan en los materiales, pueden ser detectadas y prevenidas mediante la observación de su micro-estructura. Esto puede ser realizado de manera destructiva, seccionando una parte de la pieza y preparándo una muestra metalográfica o de manera no destructiva mediante la adquisición de una réplica metalográfica. En la imagen, se observa la microestructura típica de un acero con un contenido de carbono de 0.2 a 0.3 % utilizado en planchas de calderas.


Decarburización

ferro

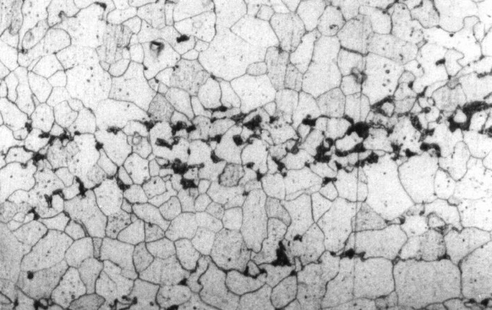
Ciertas atmósferas y la acción de la temperatura, producen la decarburización de productos de acero al carbono. Este fenómeno conlleva a la disminución de las propiedades mecánicas del material con el subsiguiente agrietamiento y falla del equipo o componente. Esto puede ser determinado usando metalografía ya sea directamente o con el uso de réplicas


Esferoidización

ferro

Otro de los muchos fenómenos que pueden ser observados a nivel microestructural en productos de acero al carbono es la esferoidización de los carburos. Cuando esto sucede, el material experimenta un aumento de su ductilidad, lo que favorece fenómenos de fluencia en largos periodos de tiempo, pero dentro de la vida útil del componente. La fluencia lenta "creep" conduce generalmente a la formación de grietas. La fotomicrografía muestra la microestructura característica de una zona de esferoidización de carburos.


Micro-agrietamiento

ferro

Una problemática que puede ser detectada es la presencia de micro-agrietamiento producto de diferentes fenómenos. Uno de los más comunes es la corrosión inter-granular, pero también materiales que se han contaminado pueden haber generado fases eutécticas en sus bordes de grano que afectan severamente la soldabilidad del material produciéndose agrietamiento en caliente si el material es sometido a procesos de soldadura por fusión.